定制服務流程
根據不同工況,提供定制服務
Suction filter
過濾面積大納污量高循環監控
用/戶/可/根/據/實/際/工/況/定/制/
冷卻水處理原水處理
工業循環用水過濾灌溉
造紙工業塑料工業
主頁 > 產品板塊 > 油品凈化板塊 > 液壓油過濾器 > TF系列箱外自封式吸油過謔器 >
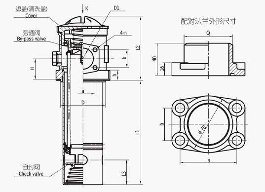
本過過濾器安裝在油泵吸口處,用以保護油泵及其它液壓元件,以避免吸入污染雜質,有效地控制液壓系統污染,提高液壓系統清潔度。
本過過濾器可直接的在油箱側邊,上部或底部,吸油筒體浸入油箱內液面儀下,過濾器濾頭露在油箱外,并設有自封閥,旁通閥,濾芯污染増塞發訊器等裝置,使更換濾芯和清洗濾芯時油箱內油液不會流出,本產品設計新穎,安裝方便,油通能力大,阻力小,清洗或更換濾芯方便等優點。
| 應用范圍 | 廣泛應用于重型機械、礦山機械、冶金機械等液壓系統。 |
| 過濾介質 | 液壓油中水和乙二醇等 |
| 咨詢電話 | 400-0089-277 |
性能與特點
水由進水口進入過濾器,首先經過粗濾芯組件濾掉較大顆粒的雜質,然后到達細濾網,通過細濾網濾除細小顆粒的雜質后,清水由出水口排出。
在過濾過程中,細濾網的內層雜質逐漸堆積,它的內外兩側就形成了一個壓差。當這個壓差達到預設值時,將開始自動清洗過程:排污閥打開,主管組件的水力馬達室和水力缸釋放壓力并將水排出;水力馬達室及吸污管內的壓力大幅下降,由于負壓作用,通過吸嘴吸取細濾網內壁的污物,由水力馬達流入水力馬達室,由排污閥排出,形成一個吸污過程。當水流經水力馬達時,帶動吸污管進行旋轉,由水力缸活塞帶動吸污管作軸向運動,吸污器組件通過軸向運動與旋轉運動的結合將整個濾網內表面完全清洗干凈。整個清洗過程將持續數十秒。排污閥在清洗結束時關閉,增加的水壓會使水力缸活塞回到其初始位置,過濾器開始準備下一個沖洗周期。在清洗過程中,過濾機正常的過濾工作不間斷。
技術參數
| 型號 | 公稱流量 (L/min) |
過濾精度 (μm) |
通徑 (mm) |
原始壓力損失 (MPa) |
發訊裝置 |
連接方式 | 重量 (Kg) |
濾芯型號 | |
|---|---|---|---|---|---|---|---|---|---|
| (V) | (A) | ||||||||
| TF-25x*L-C/Y | 25 | 80 100 180 |
15 | <0.01 | 12 24 36 220 |
2.5 2 1.5 0.25 |
管式 | 0.4 | TFX-25×* |
| TF-40x*L-C/Y | 40 | 20 | 0.45 | TFX-40×* | |||||
| TF-63×*L-C/Y | 63 | 25 | 0.82 | TFX-63×* | |||||
| TF-100×*L-C/Y | 100 | 32 | 0.87 | TFX-100×* | |||||
| TF-160×*L-C/Y | 160 | 40 | 1.75 | TFX-160×* | |||||
| TF-250×*F-C/Y | 250 | 50 | 法蘭 | 2.6 | TFX-250×* | ||||
| TF-400×*F-C/Y | 400 | 65 | 4.3 | TFX-400×* | |||||
| TF-630×*F-C/Y | 630 | 90 | 6.2 | TFX-630×* | |||||
| TF-800×*F-C/Y | 800 | 6.9 | TFX-800×* | ||||||
| TF-1000×*F-C/Y | 1000 | 8 | TFX-1000×* | ||||||
| TF-1300×*F-C/Y | 1300 | 10.4 | TFX-1300×* | ||||||
注:*為過濾精度,若使用介質為水——乙二醇,公稱流量160L/min,過濾精度80μm,帶ZS-I型發訊器,則過濾器型號為TF*BH-160X80L-C,濾芯型號為TFX*BH-160X80。
鏈接尺寸
1、管式(出油口螺紋鏈接)
2、法蘭式(出油口法蘭鏈接)
表一、TF-25~160螺紋式連接尺寸
| 型號 |
尺 寸(mm) | ||||||||||||
|---|---|---|---|---|---|---|---|---|---|---|---|---|---|
| L1 | L2 | L3 | H | M | D | A | B | C1 | C2 | C3 | h | d | |
| TF-25 × * L-C/Y | 93 | 78 | 36 | 25 | M22 × 1.5 | Φ62 | 80 | 60 | 45 | 42 | 42 | 9.5 | Φ9 |
| TF-40 × * L-C/Y | 110 | M27 × 2 | |||||||||||
| TF-63 × * L-C/Y | 138 | 98 | 40 | 33 | M33 × 2 | Φ75 | 90 | 70.7 | 54 | 47 | 10 | ||
| TF-100 × * L-C/Y | 188 | M42 × 2 | |||||||||||
| TF-160 × * L-C/Y | 200 | 119 | 53 | 42 | M48 × 2 | Φ91 | 105 | 81.3 | 62 | 53.5 | 12 | Φ11 | |
表二、TF-250~800螺紋式連接尺寸
| 型號 |
尺 寸(mm) | ||||||||||||||||
|---|---|---|---|---|---|---|---|---|---|---|---|---|---|---|---|---|---|
| L1 | L2 | L3 | H | D1 | D | a | b | n | A | B | C1 | C2 | C3 | h | d | Q | |
| TF-250 × * F-C/Y | 270 | 119 | 53 | 42 | Φ50 | Φ91 | 70 | 40 | M10 | 105 | 81.3 | 72.5 | 53.5 | 42 | l2 | Φ11 | Φ60 |
| TF-400 × * F-C/Y | 275 | 141 | 60 | 50 | Φ65 | Φ110 | 90 | 50 | 125 | 95.5 | 82.5 | 61 | 15 | Φ73 | |||
| TF-630 × * F-C/Y | 325 | 184 | 55 | 65 | Φ90 | Φ140 | 120 | 70 | 160 | 130 | 100 | 81 | 15.5 | Φ102 | |||
| TF-800 × * F-C/Y | 385 | ||||||||||||||||
| TF-1000 × * F-C/Y | 485 | ||||||||||||||||
| TF-1300 × * F-C/Y | 680 | ||||||||||||||||
注:本產品所需的出油口法蘭,安裝連接螺栓及密封墊圈等配件均和本產品配套提供,用戶只需準備好外徑Q的管子焊上即可。發訊器連接口為M18 × 1.5,不需帶發訊器者可提供堵絲。
現場直擊
細節展示
視頻
客戶案例
用途:液壓油過濾流量:1000t/h
用途:液壓油過濾流量:200t/h
用途:油過濾流量:100t/h